A NTN rolling bearing's major dimensions, known as "boundary dimensions," are shown as below.
Radial bearings (excluding tapered roller bearings)

Single direction thrust bearings

To facilitate international bearing interchangeability and economical bearing production, bearing boundary dimensions have been standardized by the International Standards Organization (ISO). In Japan, rolling bearing boundary dimensions are regulated by Japanese Industrial Standards (JIS B 1512).
Those boundary dimensions which have been standardized include: bearing bore diameter, outside diameter, width/height, and chamfer dimensions - all important dimensions when considering the compatibility of shafts, bearings, and housings. However, as a general rule, bearing internal construction dimensions are not covered by these dimensions.
For metric series NTN rolling bearings there are 90 standardized bore diameters (d) ranging in size from 0.6mm - 2,500mm. Outer diameter dimensions (D) for NTN radial bearings with standardized bore diameter dimensions are covered in the "diameter series;" their corresponding width dimensions (B) are covered in the "width series." For thrust bearings there is no width series; instead, these dimensions are covered in the "height series." The combination of all these series is known as the "dimension series." All series numbers are shown in talbe below.
| Dimension series | |||||
|---|---|---|---|---|---|
|
Diameter series (outer diameter dimensions) |
Width series (width dimensions) |
Height series (height dimensions) |
Reference diagram |
||
|
Radial bearings (excluding tapered roller bearings) |
number | 7, 8, 9, 0, 1, 2, 3, 4 | 8, 0, 1, 2, 3, 4, 5, 6 | Diagram 1 | |
| dimensions | small <--->large | small <--->large | |||
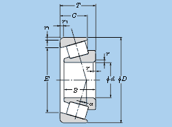
| Tapered roller bearings | number | 9, 0, 1, 2, 3 | 0, 1, 2, 3 | Diagram 2 | |
| dimensions | small <--->large | small <--->large | |||
| Thrust bearings | number | 0, 1, 2, 3, 4 | 7, 9, 1, 2 | Diagram 3 | |
| dimensions | small <--->large | small <--->large | |||
1 Dimension series for radial bearings (excluding tapered roller bearings; diameter series 7 has been omitted)

2 Dimension series for tapered roller bearings

3 Dimension series for thrust bearings (excluding diameter series 5)

Although many NTN rolling bearing dimensions are standardized, and have been listed here for purposes of future standardization, there are many standard bearing dimensions which are not presently manufactured.
NTN bearing numbers refer to "NTN bearing nomenclature".


